液化气地埋罐就是埋在地下的液化气储罐,储罐体主要有筒体体,封头,鞍座,人孔组成,地埋罐是由于建设地面积不够所用的一种,地埋罐结构简单紧凑,节约材料,减少占地面积,能使储罐到建筑物的距离减半,有效的利用土地面积,更安全可靠。



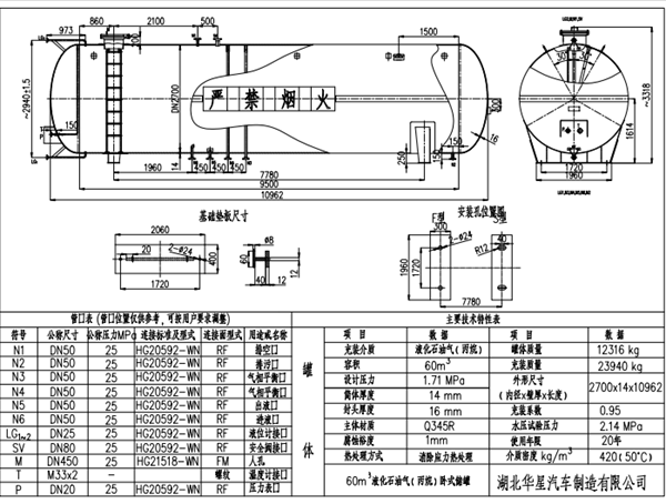
60m3液化气地埋罐
容器类别:Ⅲ类 设计使用年限:15年 设计压力:1.77Mpa
罐体自重:13.03吨
外形尺寸(mm)(长度×内径×壁厚):100962×2700×14
RT:所有焊缝100%无损探伤
热处理方式:整体消除应力热处理
制造验收标准:GB150-2011以及《固定式压力容器安全技术监察规程》
监检证书颁发单位:湖北省特种设备检验检测研究院


液化气储罐的设计选材和制作工艺,决定了储罐的品质及使用寿命,也决定了储罐的耐受性和安全性。所在选材液化气储罐时一定要选择正规的大型厂家,液化气储罐的定价与它的规格,材质,生产工艺,数量都是有关系的,如果钢材市场价格浮动大,那么液化气储罐价格也会跟着变动,所以为了给您最准确的报价,具体的液化气储罐的报价请致电液化气储罐生产厂家。

我们的服务宗旨是:以质量求生存、信誉是保证。诚信待人,灵话经营、高质 低价,讲究效率。公司承诺:凡属于本公司生产销售的产品、底盘部分、全国服 务站均可联保、专用部分三包服务一年、售后服务四十八小时到位处理、终身负 责维修并提供终身免费技术服务。